
Female Tee FAV FPF/TF/8I 1/2” NPTF SS316 6000 psi
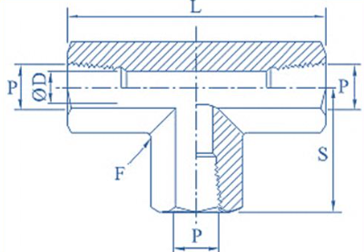
Female Tee FPF/TF/8I adalah fitting berbentuk T dengan tiga sambungan ulir internal (female) tipe NPTF berukuran 1/2 inci. Produk ini diproduksi oleh Fluid Controls FAV dan dirancang untuk aplikasi sistem fluida bertekanan tinggi. Dengan material stainless steel 316 dan ketahanan tekanan hingga 6000 psi, fitting ini cocok digunakan dalam sistem instrumentasi, hidrolik, industri kimia, serta sektor minyak dan gas.
Spesifikasi:
Manufacturer / Brand: Fluid Controls FAV
Part Number: FPF/TF/8I
Type: Female Tee
Connection Type: Female NPTF (National Pipe Taper Fuel)
Connection Size: 1/2" NPTF (3 ends)
Material: Stainless Steel 316 (SS316)
Maximum Working Pressure: 6000 psi
Temperature Range: -20°C to +400°C (tergantung aplikasi)
Design Standard: ANSI/ASME B1.20.1 untuk ulir NPT
Construction: Precision-machined body, leak-tight design
Applications: Instrumentation lines, fluid control systems, hydraulic systems, chemical and petrochemical processing, oil and gas installations
Supplier Peralatan Industri Minyak dan Gas
Supplier Peralatan Proyek Konstruksi
Supplier Peralatan Telekomunikasi
Supplier Peralatan Pembangkit Listrik
Supplier Peralatan Industri Pengolahan Limbah dan Air Bersih
© 2025. All rights reserved.


